Product Summary
The MQ-6 is a gas sensor. The MQ-6 is SnO2, which with lower conductivity in clean air. When the target combustible gas exist, The sensor’s conductivity is more higher along with the gas concentration rising. Please use simple electrocircuit, Convert change of conductivity to correspond output signal of gas concentration. The MQ-6 has high sensitity to Propane, Butane and LPG, also response to Natural gas. The sensor could be used to detect different combustible gas, especially Methane, it is with low cost and suitable for different application. The applications of the MQ-6 include Domestic gas leakage detector, Industrial Combustible gas detector, Portable gas detector.
Parametrics
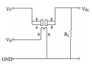
MQ-6 asbolute maximum ratings: (1)Loop Voltage, Vc: ≤24V DC; (2)Heater Voltage, VH: 5.0V±0.2V AC or DC; (3)Load Resistance, RL: Adjustable; (4)Heater Resistance, RH: 31Ω±3Ω(Room Tem.); (5)Heaterconsumption, PH: ≤900mW; (6)SensingResistance, Rs: 2KΩ - 20KΩ.
Features
MQ-6 features: (1)Good sensitivity to Combustible gas in wide range; (2)High sensitivity to Propane, Butane and LPG; (3)Long life and low cost; (4)Simple drive circuit.
Diagrams

(China (Mainland))






